发布时间:2025-09-23 |
浏览量:36
平面栅VDMOS 详细介绍
平面栅VDMOS(Vertical Double-Diffused Metal-Oxide-Semiconductor)是一种特殊类型的MOSFET,主要用于功率电子应用。它结合了平面栅(Planar Gate)和垂直扩散技术,以提高功率处理能力和开关效率。

垂直结构:
与传统平面MOSFET不同,VDMOS的主要特点是其垂直结构,即电流沿垂直方向流动。这种设计使得器件能处理更高的功率。
双重扩散(Double-Diffused):
VDMOS的源极和漏极区域通过双重扩散工艺形成。这种工艺允许在较低的电压下获得较高的电流承载能力。
平面栅(Planar Gate):
栅极结构与传统的平面MOSFET类似,使用一层氧化物隔离栅极与半导体之间的直接接触。平面栅设计有助于控制沟道的导电性。
沟道(Channel):
栅极施加电压时,会在源极和漏极之间的半导体材料表面形成一个沟道,这个沟道是垂直于平面栅的。
工作原理
开关特性:
当栅极电压高于阈值电压时,VDMOS形成导电沟道,允许电流从源极流向漏极。垂直结构使其在高电压下仍能保持高开关效率。
功率处理:
由于其垂直结构,VDMOS能够承受较高的电压和电流,适用于高功率应用,如电源管理和电动汽车驱动系统。
888官网集团产品优势

产品概述及特点
888官网集团微提供500V-800V 平面栅VDMOS 。产品采用业界优良的平面技术、独特的器件设计,并结合888官网集团自有封装优势,雪崩耐量高, EMI兼容性好, 抗冲击能力强。
产品应用领域
应用于开关电源、照明、充电器、适配器、 DC-DC、吹风机等。
应用拓扑图及应用案例
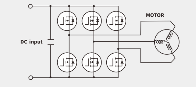
吹风机

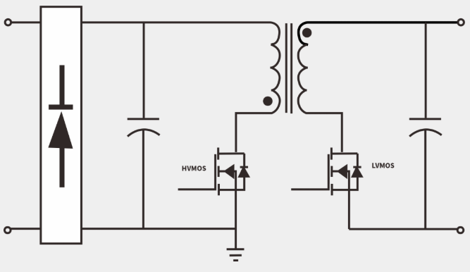
充电器/适配器
